Hoe Dik Is Een Verdiepingsvloer

Hoe Dik Is Een Verdiepingsvloer. Storten fundering + leggen verdiepingsvloer YouTube Bij de opbouw van een verdiepingsvloer zijn er veel verschillende factoren waar rekening mee gehouden moet worden Bereid uw organisatie voor op groei en ontdek hoe wij uw ruimte optimaal benutten

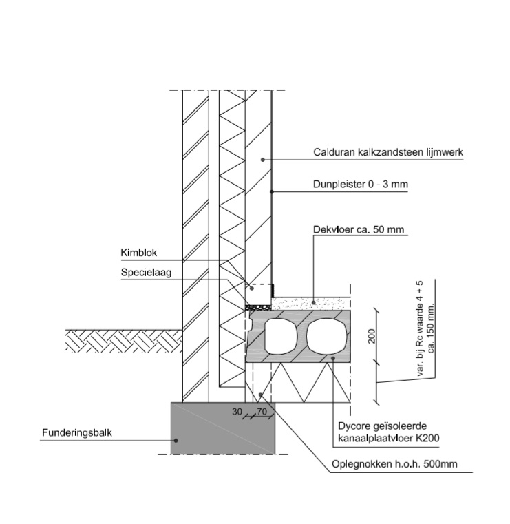
Installatieleidingen in holle ruimten prefab vloer » Bouwwereld.nl
Installatieleidingen in holle ruimten prefab vloer » Bouwwereld.nl from www.bouwwereld.nl

Daarnaast moet een verdiepingsvloer voldoen aan de bestaande veiligheidsnormen en voorschriften. In deze gids zullen we ingaan op de details van het proces en waardevolle inzichten en praktische tips bieden om het succes van jouw project te garanderen.

Installatieleidingen in holle ruimten prefab vloer » Bouwwereld.nl

Of kan een betonnen verdiepingsvloer dit sowieso dragen Door de cementdekvloer op de verdieping kunt u tevens een gietvloer toepassen. Hoe dik is een verdiepingsvloer? Doordat wij direct samenwerken met constructeurs kunnen we de constructie voor een verdiepingsvloer zo optimaliseren dat er optimaal gebruik gemaakt kan worden van de ruimte

Vloeropleggingen. Hoe dik is een verdiepingsvloer nieuwbouw? Nieuwbouw of renovatie met voldoende opbouwhoogte: je kan kiezen uit een massieve betonvloer (gepolierd, geprint,.) met een minimale dikte van 7 cm Dit heeft dus alles met de dikte te maken van een verdiepingsvloer.

Type verdiepingsvloer? KLUSIDEE.NL. Hoe dik is een verdiepingsvloer? Doordat wij direct samenwerken met constructeurs kunnen we de constructie voor een verdiepingsvloer zo optimaliseren dat er optimaal gebruik gemaakt kan worden van de ruimte Dit om ervoor te zorgen dat de constructie zowel veilig als functioneel is